Bordbrief Juli 2024 über Marinereise nach Kiel
Außerordentlicher Bordbrief März 2024
Bordbrief August 2023
Ausserordentlicher Bordbrief März 2023
Außerordentlicher Bordbrief April 2022
Gratulation an Hermann Frey zu 50 Jahre Deutscher Marinebund
Außerordentlicher Bordbrief Nov. 2020
Bordbrief April - November 2020
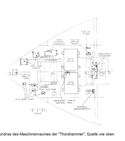
Kleine Fortsetzungsserie unseres Kameraden von der Bundesmarine bis zum leitenden Schiffsingenieur der Handelsschifffahrt
Meine Kreuzfahrt im März 2020 von Südamerika nach Europa am Anfang der Corona-Krise
Als ich am 1.März die KLM Maschine nach Amsterdam bestieg, ahnte keiner welches Ende die Reise nehmen würde. In Schiphol wechselte ich in den Flieger nach Buenos-Aires (KLM Flug KL 701, Flugzeugtyp Boeing B777-300 ER). Pünktlich um 07.05 Uhr landeten wir am Montag den 02. März in Argentinien. Das Wetter war herrlich, Sonne und ca. 30°C, Frankfurt mit dem Winterwetter lag zurück. Ungefähr eine Stunde dauerte es bis die Passkontrolle hinter mir lag. Obwohl ungefähr 15 Schalter offen waren, dauerte es so lange, weil zur gleichen Zeit vier große Maschinen am Morgen aus USA und Europa landeten.
Der internationale Flughafen von Buenos-Aires ist Ezeiza (EZE) und liegt ca. 30 km vom Zentrum entfernt. Mit dem Linienbus und anschließender Taxifahrt erreichte ich um 10 Uhr das Ibis Hotel Obelisco im Zentrum der Stadt. Das Einchecken verlief flott, um 11 Uhr nahm ich in einem Restaurant mein 2. Frühstück ein. Von meinen vorherigen Reisen kannte ich die Stadt schon ein wenig. B`Aires ist aber so groß, das es immer Neues zu sehen gibt, und schöne Häuser und Plätze kann man immer wieder sich ansehen. Bis zur Dunkelheit durchstreifte ich die Stadt um danach auf dem Hotelzimmer in einen Tiefschlaf zu fallen. Der voran gegangene Nachtflugmit fehlendem Schlaf machte sich bemerkbar.
Nach dem Frühstück (3.März)machte ich noch eine weitere Runde durch die Stadt und schoss zahlreiche Fotos. Zu Mittag kehrte ich in eine „Imbissbude“ ein. Am offenen Grill gab es saftige Steaks, Würste und Hähnchen, dazu Bier, alles sehr preiswert. Am frühen Nachmittag kehrte ich zurück ins Hotel, nahm meinen Koffer und fuhr mit dem Taxi zum nahe gelegenen Cruise-Terminal. Für südamerikanische Verhältnisse ging das einchecken gesittet vonstatten, auch nicht viel schlimmer als in Genua. Schätzungsweise 1000 Leute wollten aufs Schiff. Von der Ankunft am Terminal bis zur Kabine hat es ungefähr drei Stunden gedauert. Der Koffer wurde später an die Kabinentür geliefert. Vor der Abfahrt um 19 Uhr war noch die obligatorische Schiffs-Evakuierungsübung fällig. Bei 30°C und angelegter Schwimmweste kam man heftig ins Schwitzen. Pünktlich legte das Schiff ab, die Skyline von Buenos-Aires bei Sonnenuntergang war schön zu sehen.
Zwei Tage Seefahrt bei bestem Sonnenwetter, + 25°C, angenehmer Fahrtwind, viele Menschen an Bord haben sich beim Sonnenbaden den „Pelz“ verbrannt. Auf der „Costa Pacifica“ war ich schon einmal im November/ Dezember 2016 von Savona nach Buenos-Aires gefahren. Daher war mir das Schiff bekannt und so der übliche „Tra-la-la“, Morgensport, Tanzkurse, Quizze, blöde Sportspiele, Bingo, Shows im Theater am Abend, Gala Diners, Verkaufsveranstaltungen, Durchsagen in fünf verschieden Sprachen. Man muss ja nicht alles mitmachen, ich genoss viele Stunden im Liegestuhl und an der Reling und habe an meine aktive Seefahrtzeit 1968 bis 1977 zurück gedacht. An der südamerikanischen Küste konnte ich im TV die Deutsche Welle und ab den Kanarischen Inseln ZDF und ARD empfangen. Daneben gab es noch zahlreiche Sender aus Italien, Spanien, Frankreich und natürlich auch die BBC. So vier Tage lang war keine Satellitenabdeckung vorhanden, etwa zwischen Äquatornähe und Kapverden. Dafür gab es dann Filme und TV-Sendungen aus der „Konserve“.
Am 06. März liefen wir am Morgen in die Bucht von Rio de Janeiro ein. Das ist auch für mich immer wieder ein Erlebnis. Die Strände der Copacabana, im Hintergrund der Corcovado mit der Christus-Statue, dann biegt das Schiff um den Zuckerhut in die schmale Einfahrt zur Bucht. An beiden Seiten der Einfahrt sind Befestigungsanlagen. Die Öffnungen für die Kanonen sind in den Mauern noch zu sehen. Eine Seemeile weiter ist auf Backbordseite liegt der Flughafen Santos Dumont. Santos Dumont war DER große Flugpionier von Brasilien. An Steuerbordseite ist Niteroi in Sicht. Auch hier ist ein Wahrzeichen zu sehen, das Kunstmuseum, nach dem Entwurf von Oscar Niemeyer, dem Architekten von Brasilia. Vorbei an dem Marinearsenal (Backbord-Seite) mit dem ausrangierten Flugzeugträger „Sao Paulo“ A 12 (ex „Foch“ A 99, der französischen Marine) erreichen wir die Cruise-Pier, mit den renovierten antiken Lagerschuppen. In Rio bin ich zum 4. Mal mit Kreuzfahrtschiffen. Mein 1. Besuch hier war 1972 mit dem NS „Otto Hahn“.
Um 11 Uhr ging ich von Bord, nach der ersten Welle von Landgängern. Es ist immer das Gleiche. Alle wollen schnell an Land, dann staut es sich an den Ausgängen und an den Hafentoren. Ein halbe bis eine Stunde später ist alles viel entspannter. Die Schiffsabfahrt ist auf 19 Uhr festgelegt, alle an Bord um 18.30 Uhr. Tatsächlich war die Abfahrt um 20 Uhr, da einige Ausflugsbusse wegen des Feierabend Verkehrs in Rio zu spät am Hafen ankamen.
Ich machte einen Stadtbummel im alten Teil von Rio, besuchte zwei Kirchen, sah mir von außen die imposante Oper, das Parlament des Bundesstaates und viele alte Prachtbauten aus der Glanzzeit von Rio an. Rio war vor Brasilia die Hauptstadt von Brasilien. Mit dem öffentlichen Bus fuhr ich zur Copacabana, ist für Menschen über 65 Jahre kostenlos. Dort genoss ich ein paar kühle Biere, war ziemlich warm am Strand, +33°C. Viele junge Mädchen tragen am Strand sehr knappe Bikinihöschen, hinten ist das oft nur ein Strick zwischen den Pobacken. Die Rückfahrt mit dem Bus zum Schiff dauerte eine gute Stunde. Abends ist der übliche Verkehrsstau. Extra Busspuren gibt es nicht. Im alten Stadtgebiet gibt es drei Straßenbahnlinien mit modernen, klimatisierten Waggons (Bombardier) auf extra Fahrwegen. Zwei U-Bahn- Linien gibt es auch. Die gehen bis zu den Sportstätten der vergangenen Olympischen Spiele in 2016.
Am 06. März um 20 Uhr liefen wir aus in Richtung Nord nach Salvador de Bahia. Ankunft in Salvador am 08. März um 14 Uhr, auslaufen um 20 Uhr. Vom Schiff aus ist die Altstadt in Fußgängernähe gut zu erreichen. Für 5 Centavos fährt man mit dem Lift in die Oberstadt und innerhalb 15 Minuten Fußmarsch hat man alle Sehenswürdigkeiten erreicht. Unbedingt sind die Kathedrale und das Kloster St. Franziskus zu besichtigen. Infos gibt es in einschlägigen Reiseführen und in Wikipedia. Abends Auslaufen nach Maceo, unser letzter Hafen in Brasilien, bevor es über den Teich zu den Kanarischen Inseln ging.
Am Montag, den 09. März um die Mittagszeit erreichten wir Maceo, ca. 200 Seemeilen nördlich von Salvador gelegen. Maceo hat noch kein Cruise Terminal, für alle war eine Shuttle-Bus Verbindung zum Ausgang des Hafengeländes verpflichtend. Der Bus hat uns direkt zu einem der zahlreichen Stadtstrände von Maceo gebracht. Der Strand war angenehm gefüllt, sehr viele Palmen spendeten Schatten für den der es wünschte. Am Strand und auf der anderen Seite der Straßenpromenade gab es zahlreiche Restaurants. Hier in Maceo kam für mich richtige Sommer-Urlaubs-Stimmung auf. Ansonsten bot Maceo nicht viel kulturelles, eine große Stadt, laut Wikipedia ca. 1 Million Einwohner, mit Kilometer langen Sandstränden.
Um 20 Uhr abends verließen wir Maceo für die geplante Überfahrt nach St. Cruz auf Teneriffa, 2.700 Seemeilen entfernt, Ankunft dort am 16. März nach 6,5 Tagen auf See, soweit der Plan. Es kam aber anders.
Im TV Programm der Deutschen Welle habe ich schon von den Ereignissen in Deutschland und der Welt über die Corona Epidemie gehört und gesehen. Zu dem Zeitpunkt sprach man noch nicht von einer Pandemie. Am 13.3.2020 informierte der Kapitän alle Passagiere, das die spanischen Behörden ein Dekret erlassen haben, das kein Kreuzfahrtschiff mehr spanische Häfen anlaufen darf. Damit fielen die beiden Häfen auf den Kanaren sowie Malaga und Barcelona für uns aus. Erster Hafen in Europa soll Marseille sein, geplante Ankunft Donnerstag, 19. März, 14 Uhr. So kam es auch. Nach 10-tägiger Nonstop Fahrt und ca. 4.000 Seemeilen kamen wir um 16 Uhr in Marseille an. Kein Mensch durfte von Bord. Im Hafen lagen noch zwei weitere Costa Schiffe, die Luminosa (kommend von der Karibik) und die Smeralda (Lag schon länger ohne Passagiere in Marseille). Die „Aidasol“ lag ohne Passagiere an der Pier und ein 5. Cruiseship, Name unbekannt (lag etwas verdeckt hinter einem Schuppen). Am nächsten Morgen durften die französischen Gäste von Bord (ca. 100 Menschen), um 13 Uhr lief die „Costa Pacifica“ aus, Ziel Genua, Ankunft 21. März 2020, 08 Uhr.
Pünktlich machte das Schiff am Samstagmorgen an der Andrea Doria Pier in Genua fest. Der Norden Italiens, die Po-Ebene und auch Ligurien waren schon von den Behörden zu Hoch-Risikogebieten erklärt worden, eine strikte Ausgangssperre bereits verhängt.Noch am gleichen Tag wurden mit ca. 25 Bussen die argentinischen und brasilianischen Gäste direkt zum Rom Fumicino Flughafen gefahren. Mit einem extra Container LKW wurde das Reisegepäck der Gäste befördert. Mein Bedauern galt den Südamerikanern, da hatten sie eine Cruise gebucht und sind zum Schluss nur auf dem Schiff gewesen um dann gleich zurück in die Heimat zu fliegen. Eine Urlaubsreise sieht anders aus. Wir Europäer hatten wenigstens in Südamerika den vollen Urlaubsgenuss. Die italienischen Gäste wurden im Laufe des Sonntags (22.3.) in geschlossenen Konvois entlassen. Schweizer und Österreicher wurden in Bussen Nonstop in ihre Länder befördert. Es ist ja von Genua aus nicht so weit. Deutsche, Engländer, Holländer und Belgier waren die letzten an Bord. Für mich kam die Nachricht am Sonntagnachmittag (22.3.) das ich mich mit dem Koffer um 20 Uhr im Theater einfinden sollte. Tatsächlich fuhren drei große Busse um 20.30 Uhr mit Deutschen und Engländern nach Rom zum Flughafen. An Bord bekamen wir noch Schutzmasken, Plastikhandschuhe und ein Lunchpaket. Die Busse waren nur halbvoll, damit die Abstände zu einander eingehalten werden konnten. Unterwegs wurde 2x gehalten für Pipi machen. Aus Hygiene Gründen war die Toilette im Bus geschlossen.Nach 6 Stunden kamen wir um 03 Uhr Nacht in Rom auf dem Flughafen an. Da die Menschen zu verschiedenen Flugzielen gebucht wurden, war die Wartezeit bis zum Abflug mal 4 Stunden und in meinem Fall 9 Stunden bis zum Einchecken. Die ganzen Flüge (alles mit Linienmaschinen) hat Costa organisiert, wir mussten dafür ca. 1 Woche vorher schon an Bord unsere Original-Flugdaten an Costa geben. Ich persönlich brauchte mich nicht um meine Flugplan-Änderung zu kümmern. Wäre auch von Bord aus schwer gegangen, zumindest mit hohen Telefonkosten verbunden. Um 15 Uhr ging mein Alitalia Flug pünktlich los, Landung in FRA um 17 Uhr. Verpflegung (Getränke, Snacks) im Flugzeug gab es nicht, da die Kabinen Crew zu Recht Angst vor Corona-Ansteckung hatte, was ich auch voll verstehe. Im Flugzeug musste jeder ein deutsches Formular ausfüllen, und bestätigen, dass er keine Corona-Symptome hat und seine Kontakt-Daten angeben. In Frankfurt konnte ich dann ohne weitere Kontrollen den Flughafen verlassen.
Insgesamt muss ich Costa ein besonderes Lob für die gut organisierte Rückreise an Land aussprechen. Als Trostpflaster versprach Costa pro Person 300 EUR Entschädigung für entgangenen Urlaubsfreuden aus, zu verrechnen mit den Bordausgaben, bzw. wenn nicht so viel an Bord ausgegeben wurde, Rückzahlung des Restbetrages von der 300 EUR Summe.
Frankfurt am Main, 03. April 2020, Rolf Slopianka
Ausserordentlicher Bordbrief















